旋風除塵器主要由旋風筒體、灰斗和蝸殼(或集風帽)組成,按筒體個數分類有單筒、雙筒、三筒、四筒、六筒等5種組合,宜用于冶金、礦山、發電、建材、化工、鑄造、噴砂清理,砂輪...
保排放達標
快24小時快速響應
終終身維護
一、產品介紹
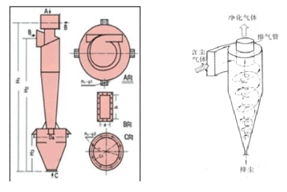
旋風除塵設備主要由旋風筒體、灰斗和蝸殼(或集風帽)組成,按筒體個數分類有單筒、雙筒、三筒、四筒、六筒等5種組合。每種組合有兩種排氣形式,水平排氣〈X型)和上部排氣(丫型〕。對于X型雙筒組合,另有正中進排氣和旁側進排氣兩種組合形式;X型單筒和三筒只有旁側進排氣一種組合形式;四筒和六筒組合只有正中進排氣形式。
二、工作原理
旋風除塵設備是利用氣流旋轉過程產生的離心力,使粉塵從含塵氣流中分離出來的。含塵氣流由除塵器進口沿切線方向進入除塵器后,沿外壁向下做旋轉運動,這股向下旋轉的氣流稱為外漩渦。外漩渦到達錐體底部后,轉而向上,沿軸心向上旋轉,最后從排出管排出。這股向上的氣流成為內漩渦。向下的外漩渦和向上的內漩渦旋轉方向是相同的,即統一為順時針或統一為逆時針。氣流做旋轉運動時,粉塵在離心力的作用下甩向外壁,到達外壁的粉塵在下旋氣流和重力的共同作用下沿壁面落入灰斗。

一、工藝流程
含塵氣體從設備頂部進風口進入設備后,以高速經過旋風分離器,使含塵氣體沿軸線調整螺旋向下旋轉,利用離心力,除掉較粗顆粒的粉塵,有效地控制了進入電場的初始含塵濃度。然后,氣體經下灰斗進入電場工作,靜電除塵器,由于下灰斗截面積大于內管截積數倍,根據旋轉矩不變原理,徑向風速和軸向風速急劇降低產生零速界面而使內管中的重顆粒粉塵沉降于下灰斗內。
二、工藝流程圖

旋風除塵器結構簡單,易于制造、安裝和維護管理,設備投資和操作費用都較低,已廣泛用于從氣流中分離固體和液體粒子,或從液體中分離固體粒子。
宜用于冶金、礦山、發電、建材、化工、鑄造、噴砂清理,砂輪磨削等行業的除塵凈化和燃煤鍋爐的煙氣凈化。